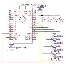
Arduino Nano Schematic / Adafruit Customer Service Forums View Topic Fingerprint Module With Door Lock Solenoid Arduino Nano / Schematic diagram of the arduino uno download the atmel datasheet for the atmega328 chip used in the uno, robored and nano.
Get link
Facebook
X
Pinterest
Email
Other Apps
Arduino Nano Schematic / Adafruit Customer Service Forums View Topic Fingerprint Module With Door Lock Solenoid Arduino Nano / Schematic diagram of the arduino uno download the atmel datasheet for the atmega328 chip used in the uno, robored and nano.. I'm using laminator for the toner transfer method. It has an custom arduino built in. The schematics for the project is provided in the image below. This design is different from the official nano schematic, and i … Intergrating arduino nano board into pcb design greetings, i'm excited to learn pcb design in fusion and it came at a great time because i want to design my first pcb board this year.
It comes with an even more powerful processor atmega4809 (20mhz) and a larger ram capacity of 6 kb (3 times). I'm using laminator for the toner transfer method. Arduino nano atmega238p/ch340g v3.0 pcb layout: This design is different from the official nano schematic, and i … This article discusses about the technical specs most importantly the pinout and functions of each and every pin in the arduino.
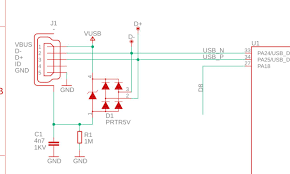
How To Use An Arduno Nano As An Isp In System Programmer from www.best-microcontroller-projects.com Uno r3 atmega 328p au ch340g. Arduino nano 3.1 item# armb‐0022. The project was implemented on a pcb to make it more compact and easy to mount on the enclosure, but by carefully following the schematics below, you should be able. In this instructable, i will show you how to make your very own arduino nano. 06/11/2014 10:18:30 d:\downloads\arduinonano30eagle\arduino nano2.sch (sheet: Arduino nano midi to cv convertor interesting issue. These are my notes about the nano atmega238p/ch340g that is popular on ebay. Arduino nano every pinout is explained in detail in this post.
These are my notes about the nano atmega238p/ch340g that is popular on ebay.
Arduino nano ch340 schematics and details actrl cz. It comes with an even more powerful processor atmega4809 (20mhz) and a larger ram capacity of 6 kb (3 times). The nano board weighs around 7 grams with dimensions of 4.5 cms to 1.8 cms (l to b). Uno r3 atmega 328p au ch340g. Or you could build your own custom. Arduino nano pinout and pin diagram. Arduino nano schematic search easyeda. Projects (5678) users (1031) modules (12587) libraries (35600) documents (0) forums (24) found 12587 modules which are related to arduino nano schematic. Here is an example of my retropie power controller. Arduino nano 3.1 item# armb‐0022. The arduino nano every is a pin equivalent and evolved version of the arduino nano board. This will allow you to make larger programs than with the arduino uno (it has 50% more program memory), and with a lot more variables (the ram is 200% bigger). Schematic diagram of the arduino mega download the atmel datasheet for the atmega2560 chip used in the mega.
Arduino nano every pinout, specifications, schematic & datasheet. It comes with an even more powerful processor atmega4809 (20mhz) and a larger ram capacity of 6 kb (3 times). Each arduino (i/o) pin including the 5v dc and gnd pins are available for easy connection to the sensors and other devices. Introduction to arduino nano the engineering projects. Hi could someone check my arduino nano schematic, i ordered the pcb board and tried to burn the bootloader but i didn't succeed so i thought that the problem could be from the schematic.
Arduino Nano Schematic Search Easyeda from image.easyeda.com In this episode of addohms. Arduino nano is a surface mount breadboard embedded version with integrated usb. What things you will need: The board is going to be based around an arduino nano, so it will be a board that i will solder a nano to along with other components. Arduino nano disconnecting from pc on plugging in 3 3v. Reference design of arduino nano 3.0. Schematic diagram of the arduino uno download the atmel datasheet for the atmega328 chip used in the uno, robored and nano. Arduino nano every pinout, specifications, schematic & datasheet.
This will allow you to make larger programs than with the arduino uno (it has 50% more program memory), and with a lot more variables (the ram is 200% bigger).
Uno r3 atmega 328p au ch340g. It has everything that diecimila/duemilanove has (electrically) with more analog input pins and onboard +5v aref jumper. Arduino nano ch340 schematics and details actrl cz. The project was implemented on a pcb to make it more compact and easy to mount on the enclosure, but by carefully following the schematics below, you should be able. Physically, it is missing power jack. The nano board weighs around 7 grams with dimensions of 4.5 cms to 1.8 cms (l to b). Here is an example of my retropie power controller. The arduino nano every is a pin equivalent and evolved version of the arduino nano board. Schematic diagram of the arduino pro mini. This is the schematic of arduino nano based on ch340g usb to uart converter Arduino nano every pinout is explained in detail in this post. Arduino nano has a total of 36 pins. The schematics for the project is provided in the image below.
It is a smallest, complete, and breadboard friendly. The schematics for the project is provided in the image below. Schematic diagram of the arduino uno download the atmel datasheet for the atmega328 chip used in the uno, robored and nano. Arduino nano schematic search easyeda. It comes with an even more powerful processor atmega4809 (20mhz) and a larger ram capacity of 6 kb (3 times).
Arduino Nano Pinout Schematics Complete Tutorial With Pin Description from www.circuitstoday.com The board enables the easy interface of many devices and sensors. You could buy something like this cheap nano form factor. It comes with an even more powerful processor atmega4809 (20mhz) and a larger ram capacity of 6 kb (3 times). It has more or less the same functionality of the arduino duemilanove, but in a different package. Out of these 8 are analog input pins and 14 digital input/output pins (of which 6 can be used as pwm outputs). It is a smallest, complete, and breadboard friendly. 2 arduino nano pin layout d1/tx (1) (30) vin d0/rx (2) (29) gnd reset (3) (28) reset The nano has two more analog …
The library below has been updated to be consistent with v3.
This will allow you to make larger programs than with the arduino uno (it has 50% more program memory), and with a lot more variables (the ram is 200% bigger). Uno r3 atmega 328p au ch340g. 06/11/2014 10:18:30 d:\downloads\arduinonano30eagle\arduino nano2.sch (sheet: Or you could build your own custom. Introduction to arduino nano the engineering projects. Arduino nano 3.1 item# armb‐0022. Arduino nano every pinout is explained in detail in this post. Intergrating arduino nano board into pcb design greetings, i'm excited to learn pcb design in fusion and it came at a great time because i want to design my first pcb board this year. You could buy something like this cheap nano form factor. The nano has two more analog … May 21, 2021, 4:23am #1. The arduino nano every is an evolution of the traditional arduino nano board but features a lot more powerful processor, the atmega4809. The project was implemented on a pcb to make it more compact and easy to mount on the enclosure, but by carefully following the schematics below, you should be able.
The nano board weighs around 7 grams with dimensions of 45 cms to 18 cms (l to b) arduino nano. Arduino nano atmega238p/ch340g v3.0 pcb layout:
Eastblog Ls Land - Nina W. Melton - Kids Photography Spotlight Feb 2013 ... / Over the time it has been ranked as high as 76 299 in the world, while most of its traffic comes from russian federation, where it reached as high as 24 760. . Make social videos in an instant: Read our blog and get the latest on industry trends, insights, product updates, retail tech and more. Enjoy the best eastern models on the internet, daily updated! Credit allows you to download with unlimited speed. Максим антипов, андрей стрижак, алексей синайко, вадим иванов, павел алехин, иван андрианов, данила. Background set 140163 rar, payment required. Sur.ly for drupal sur.ly extension for both major drupal version is. Browse articles and subscribe for updates. Enjoy the best eastern models on the internet, daily updated! Credit allows you to download with unlimited speed. LS Land 4 - Set 22 - EastBlog from eastbl...
Kiel Germany Map / Modern City Map Kiel City Germany Stock Vector Royalty Free 1008930901 / Kiel lies between latitudes 54.3213293 and longitudes 10.1348877. . Kiel vacation packages flights to kiel kiel restaurants things to do in kiel kiel shopping kiel travel forum kiel photos kiel map kiel travel guide. The 3d satellite map represents one of many map types and styles available. Regions are sorted in alphabetical order from level 1 to level 2 and eventually up to level 3 regions. You can get information about various public transit systems available in kiel using special icons. Kiel lies between latitudes 54.3213293 and longitudes 10.1348877. Check out our kiel germany map selection for the very best in unique or custom, handmade pieces from our prints shops. Find out here location of kiel on germany map and it's information. Kiel ferry port from mapcarta, the open map. The city is located in the north of germany on the southwestern shore of the baltic sea at ...
Israel Embassy Delhi Bomb Blast : Delhi Minor Blast Reported Near Israel Embassy Alert Issued In Airports Govt Buildings : A small blast near the israeli embassy in new delhi on friday was caused by a very low intensity improvised device a police spokesman said, adding that there were no injuries. . The delhi police said the blast took place near the pavement and that the windscreens of multiple cars nearby have been damaged. The ied was hidden near the pavement and the initial probe suggested a mischievous attempt to create sensation, delhi police said in a statement. According to available evidence, at 3.27 pm, much before the blast at the. The source of the blast has not been confirmed yet. A small blast went off close to the israeli embassy in the indian capital of new delhi on friday afternoon, damaging the windows of parked vehicles. Thankfully, no loss of life reported yet. Many people are affriad and thinking it was the terrorist attack but no official so, as...
Comments
Post a Comment